11年專業銷售工程師-徐工
15年專業銷售工程師-謝工
9年專業銷售工程師-王工
6年銷售工程師-張工
項目產品選型、技術指導高級電器工程師-李工
			| 分類 | |
| 品牌 | 
| 分類 | |
| 品牌 | 
| 分類 | |
| 品牌 | 
| 分類 | 
										 | 
								
| 品牌 | 
										 | 
								
優勢一:廣州南創是一家大型傳感器、儀器儀表、工業備品備件供應商!中國傳感器聯合會誠信“AAA”級成員,多家世界知名傳感企業中國市場開拓核心合作伙伴;
優勢二:完善的全國銷售服務網絡:12個區域辦事處、20個分公司、遍布全國的售后服務網點,為您及時便捷實現上門無憂售后服務;
優勢三:為國內多家知名大中型工業企業、航天工業企業提供國際工業自動化控制檢測設備及工業稱重系統和傳感器設備儀表,緊密依托中科院及清華大學的技術支持合作交流。技術、產品可靠值得信賴;
優勢四:鄭重承諾:三個月內產品有質量問題無條件退換貨;
優勢五:資深工程師為您提供全方位完善的一條龍銷售服務指導,售前專業方案設計、產品選型指導,售中安裝調試,售后三年上門免費跟蹤維修服務;
優勢六:全國優勢價格支持銷售,凡在我們公司購買產品,如果同類產品高于主流市場價格,我們雙倍補還差價,性價比高!
優勢七:我公司在國外設有7個境外專業采購中心,保證原裝進口,貨期快捷,價格具有優勢,可靠、放心
優勢八:我公司代理經銷169個品牌,全國同類產品系列全、品種多、多家知名企業中國合作伙伴代理。
產品品牌:德國西門子siemens
產品類型:壓力稱重傳感器
產品型號:Load cell SIWAREX WL270 CP-S SB
德國西門子SIWAREX WL270 CP-S SB稱重傳感器訂購專線:020-82303306
可用于貿易結算
配套SIWAREX安裝支架可簡易快速的安裝
適用于危險區域
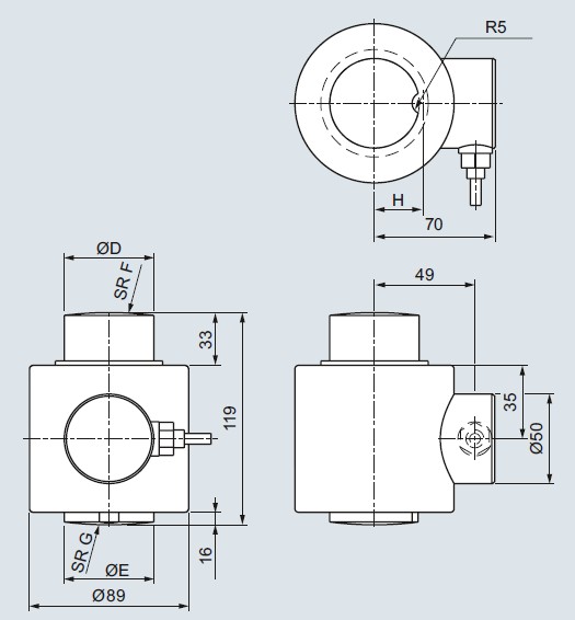
柱式壓力稱重傳感器SIWAREX WL270 CP-S SB特別適用于安裝在容器計量秤,料斗秤和汽車衡。測量元件是由不銹鋼制成的固體圓柱,其中用到四個應變片,沿測量方向的中心作用的負荷會使彈性體和隨之變化的摩擦鎖定,應變片發生彈性變形。這樣便產生一個與負荷成比例的測量信號電壓。
SIWAREX WL270 CP-S SB柱式傳感器采取極其緊湊的設計,額定負載分別為10t、20t、30t和50t。非常適合小型和中型容器或軌道衡。依據OIML R60標準符合C3等級。借助配套的SIWAREX安裝支架可實現快速而簡易安裝。另外,該安裝設備可被用做安全焊接工作的模型。
額定負載  10、20、30、50t
精度等級  依據OIML R60的C3
分辨率    10.000
防護等級  IP68
材料      不銹鋼

SIWAREX WL270 CP-S SB稱重傳感器參數:
最大橫向負荷L 75% E max
在E max.上的額定測量路徑h n 0.5mm
推薦電源電壓(范圍) 5~12V DC
額定特征值 C n 2.0 ± 0.02 mV/V
零信號的公差Do <± 1.0% C n
輸入阻抗R e 700 Ω ± 7 Ω
輸出阻抗R a 700 Ω ± 7 Ω
絕緣阻抗R is 5 000MΩ at 50V DC
額定溫度范圍B tn -10~40 °C
工作溫度范圍B tu -35~65 °C
儲存溫度范圍B ts -35~65 °C
傳感器材料(DIN) 不銹鋼
防護等級符合EN 60529;
IEC 60529
IP68
電纜連接
功能顏色
• EXC + (激勵電壓 +) • 紅色
• EXC - (激勵電壓 -) • 黑色
• SIG + (測量信號 +) • 綠色
• SIG - (測量信號 -) • 白色
• 屏蔽• 透明
自調心軸承負荷SIWAREX WL270 CP-S SB傳感器和壓力板由兩塊壓板一起構成了一個自我定位組件。這種結構允許在屋頂和負荷載體沿水平方向發生位移產生一定量的(例如,由于溫度變化),自動調心軸承的結構可以產生一個隨機置換和所施加的負荷,改變彈性。如果負荷載體沿水平方向的位移超過預定值,則必須采取措施限制橫向位移(如擋塊)在負荷載體的結構。必須采取適當的措施,以防止承載體升降的建設。稱重傳感器不包括在交貨的自動調心軸承的范圍之內。
西門子SIWAREX WL270 CP-S SB稱重傳感器技術規格
應用 汽車衡,軌道衡,容器計量秤
形式 柱式傳感器
額定負荷/最大負荷Emax. 10, 20, 30, 50t
精度等級符合 OIML R60 C3
最大刻度間隔n LC 3 000
最小刻度間隔V min
• E max = 10, 20, 50t E max/10 000
最小應用范圍R min(LC) 30%
綜合誤差F comb ± 0.02% C n
偏差F v 沒有應用
蠕變誤差F cr
• 30 min ± 0.023% C n
溫度系數
• 零信號T ko 0.023% C n/5K
• 特征值T Kc 0.017% C n/5K
最小初始載荷E min 0kg
最大工作負荷L u 150% E max
破壞負荷L d 300% E max
1)防爆認證單獨咨詢
WL 260 CP-S AB型傳感器7MH5108
符合OIML R60貿易等級,達到3000d,連接電纜15米長。
額定負荷 10t 20t 30t 50t
防爆1) 用于1,2,20,21,22區防爆等級
SIWAREX WL270 CP-S SB傳感器的測量元件為合金鋼材質柱體, 帶有四個應變片。外殼為合金鋼材質,焊接密封,防水防塵。當外力作用在稱重傳感器上,使得傳感器在測量方向產生形變。應變片所產生的電壓值信號輸出與載荷的大小成比例關系。稱重傳感器形變范圍從0.23~2.67mm,形變的大小與載荷有關。
德國西門子SIWAREX WL270 CP-S SB圓柱式稱重傳感器相關熱賣型號:
SIWAREX WL270-10KV5K0  SIWAREX WL270-15KV5K0  
SIWAREX SIWAREX WL270 CAV5K0  SIWAREX WL270-10KV5K0
SIWAREX WL270-4FHr  SIWAREX WL270-6FHr SIWAREX WL270gf/Em2
SIWAREX WL270-1V5K0  SIWAREX WL270-2V5K0  SIWAREX WL270-3V5K0
SIWAREX WL270-1FHr  SIWAREX WL270-1.6FHr  SIWAREX WL270-2.5FHr
SIWAREX WL270-3V5K0  SIWAREX WL270-5V5K0  SIWAREX WL270-750V5K0  
SIWAREX WL270-1KV5K0  SIWAREX WL270-1.5KV5K0  SIWAREX WL270-3KV5K0  
SIWAREX WL270gf/Em2  SIWAREX WL270gf/Em2  SIWAREX WL270gf/Em2
SIWAREX WL270-5V5K0  SIWAREX WL270-750V5K0  SIWAREX WL270-1KV5K0  
SIWAREX WL270-1.5KV5K0  SIWAREX WL270-3KV5K0  SIWAREX WL270-5KV5K0
廣州南創為您推薦與SIWAREX WL270 CP-S SB稱重傳感器類似的其他品牌柱式壓力傳感器:
【CBFS-300KG】_韓國Bongshin CBFS-300KG稱重傳感器_CBFS-300KG傳感器★價格
Utilcell MOD740稱重傳感器 MOD740-40T MOD740-200T
COK-15000KG,意大利Laumas COK-25000KG,COK-50000KG稱重傳感器
本站內容未經許可禁止復制轉載!©2002 廣州南創電子科技有限公司
聯系電話:020-82303306 公司傳真:020-82303511下班及雙休日請撥打各品牌負責人電話電話詳情
備案號: 粵ICP備11086172號-1